



1732
$480.00
Current Monitor Dr
Choose Quantity
Product Details
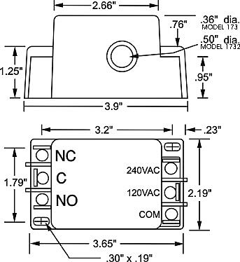
The Model 1732 AC Current Monitor is a single set-point current monitor. It can be used to detect either over current or under current, depending on whether the trip point is set above or below the input current. Dual LED indicators on the front or top of the unit give a clear visual reference for a fault condition. The Model 1732 generates its operating voltage from the monitored current line, so no external power supply is required. A current greater than 25 amps is needed to energize the internal relay. Momentary current above 150 amps will not damage the unit, however, the maximum current set-point is 150 amps. The Model 1732 is not frequency sensitive, and can be used on AC currents from 50 to 400 Hz.

