



15-240
$276.00
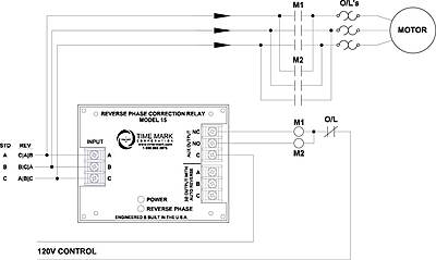
Reverse Phase Correction Relay
Choose Quantity
Product Details
The Time Mark Model 15 was designed to protect your valuable equipment from the damaging effects of phase reversal by sensing and automatically correcting for phase reversal. Under normal power conditions, incoming A B C voltage is passed straight through the device to the A B C output terminals (4 amps @ 480 VAC resistive max). If the unit detects an incoming reverse phase condition (C B A), it will light the reverse phase LED and internally switch 2 of the phases and then pass the corrected phasing out to output terminals A B C. If your load is higher than 4 amps @ 480VAC resistive, the Model 15 provides an auxiliary output relay to put in the control circuit of a remote reversing contactor. If phasing is correct, the relay will remain in the static condition (N.C contact will remain closed and N.O. will remain open). If the Model 15 detects a reverse phase input, the auxiliary output relay will energize and the relay contacts will switch (N.C contact will open and N.O. will close).

